

品名:威爾頓氣動隔膜泵 型號:P400/KKPPP/TNU/TF/KTV/0504
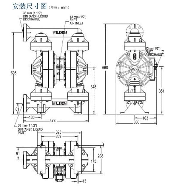
P400 - 38 mm (1-1/2")
規格
接液部材質 運輸重量
聚丙烯.........................................19 kg (41 lbs)
聚偏氟乙烯.....................................27 kg (59 lbs)
彈性體材質
丁腈橡膠、三元橡膠、SaniflexTM、氯丁橡膠、聚亞胺酯、特氟隆PTFE、氟化橡膠、Wil-FlexTM
非接液部材質
空氣腔..................聚丙烯
中間部..................聚丙烯、鋁合金
空氣閥..................聚丙烯、鋁合金
性能參數
介質進口尺寸..............................1-1/2” (38 mm)
介質出口尺寸..............................1-1/2” (38 mm)
空氣進口尺寸..............................1/2” (13 mm)
大出口壓力...........................8.6 Bar (125 psig)
可通過得大固體顆粒直徑...............1/4” (6.4 mm)
大流量
橡膠/熱塑性化合物................454 lpm (120 gpm)
特氟隆PTFE.......................318 lpm (84 gpm)
大吸程
橡膠/熱塑性化合物........干吸 5.5 m (18.2’),濕吸 9.3 m (30.6’)
特氟隆PTFE...........干吸 3.3 m (10.8’),濕吸 9.7 m (31.8’)


